Fallas a tierra en sistemas fotovoltaicos. El MDD-302 detector diferencial magnetico.
Al incrementarse el aprovechamiento de la energía Solar mediante los Sistemas fotovoltaicos (SFV) de las cuales se requiere cada vez mayor potencia de generación con lo cual también se hace necesario incrementar los niveles de tensión de estas centrales, al incrementarse los niveles de tensión también se incrementan las posibilidades de fallas, tanto entre positivo y negativo como fallas a tierra en estos sistemas.
De acuerdo con los artículos 690-5 y 690-35 de la NOM-001-SEDE-2012 los circuitos de SFV deben contar con un dispositivo contra fallas atierra.
La detección de fallas a tierra en sistemas de corriente alterna (CA) es muy común, no así en sistemas de corriente directa (CD), por lo que en esta página se presenta un procedimiento para detectar este tipo de fallas.
Detección de Fallas a tierra en Sistemas Trifásicos de Corriente Alterna.
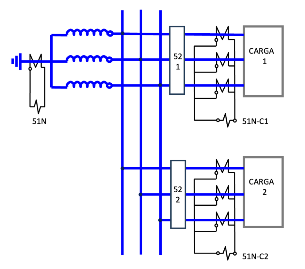
En los sistemas de corriente alterna la detección de fallas a tierra se hace mediante relevadores de protección (51N)conectados a los devanados secundarios de transformadores de corriente que por su devanado primario circula la corriente de falla a tierra del sistema de potencia.
Para la detección de fallas a tierra en sistemas trifásicos de CA es muy importante que la fuente tenga una conexión estrella y además esté conectado a tierra sólidamente o a través de una impedancia cuando los valores de la corriente de falla sean muy elevados.
La figura I.1 muestra un diagrama para la detección de estas fallas a tierra en CA para un sistema simple con una fuente y una sola carga. La figura I.2 muestra la forma de detección de fallas a tierra cuando existen varios circuitos alimentados de una misma fuente.
fig l.1

fig l.2
Aunque los sistemas de CD son menos complejos que los sistemas de CA, al requerir mayor potencia de generación en los SFV, se requiere incrementar el número de celdas conectadas en serie con lo cual se incrementa el nivel de tensión de generación en CD. Al incrementarse la tensión también se incrementan las posibilidades de fallas del sistema de CD, en este punto toma una gran relevancia la protección contra las fallas de corto-circuito (de positivo a negativo), pero también las fallas a tierra que involucrarían las fallas del aislamiento.
Las fallas entre positivo y negativo se deberán detectar y librar mediante protecciones de sobre-corriente para lo cual se cuenta con elementos fusible y termomagnéticos, pero para fallas a tierra cuyos valores de corriente pueden ser menores que las corrientes de carga, no se cuenta con elementos que las detecten
motivo por el cual presentamos esta propuesta.
En las subestaciones de potencia a menudo nos encontramos con un desbalance de tension en las fuentes de c. d. referenciadas a tierra.
En la mayoria de los casos este debalance se produce por corrientes de fuga en el aislamiento de los cables de control.
Las corrientes de fuga se presentan con el deterioro del nivel de aislamiento de los cables de control, haciendose mas significativo con el paso del tiempo.
XAid presenta el MDD 302, equipo capaz de detectar estas corrientes de fuga con una sensibilidad de 10 mA.


DESCRIPCION:
- Dispositivo MAGNETICO y ELECTRONICO que funciona como comparador DIFERENCIAL de corriente DIRECTA.
- El MDD es capaz de detectar pequeñas corrientes que se fugan a tierra a través del aislamiento deteriorado de elementos de un circuito eléctrico.
- Actúa como una protección diferencial pero para sistemas de corriente directa.
- Aplicable para detectar corrientes de fuga en el aislamiento de cables de control en Centrales y subestaciones Electricas
CARACTERISTICAS PRINCIPALES:
- Acoplamiento magnetico con el circuito supervisado.
- Detecta en linea las corrientes de fuga en cables de control.
- Cada unidad supervisa 2 circuitos independientes.
- Cuenta con led´s para indicar el circuito fallado.
- Enclavamiento de los led´s para detección de corrientes transitorias.
- Cuenta con botón de restablecimiento.
- Cuenta con 2 juegos de contactos secos de salida.

FUNCIONAMIENTO
- Magnéticamente compara la corriente que sale del (+) con la que regresa al (-).
- Opera con la corriente diferencial que circula por tierra.


Conozca más sobre muestro equipo MDD-302.
Visite nuestro canal en YOUTUBE.




