ETD-314 DISCRIMINADOR ELECTRÓNICO DE DISPARO
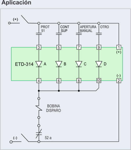
El ETD 314, es un auxiliar en los esquemas de Protección y control de interruptores de potencia, permite discriminar el origen de las señales que podrían provocar la apertura de dichos interruptores. Cada unidad cuenta con cuatro detectores y cada detector actúa sobre un relé auxiliar para contactos secos de salida y simultáneamente señaliza y memoriza el elemento actuado mediante led de indicación.
Auxiliar en los esquemas de protección y control de interruptores de potencia.
Discrimina el origen de señales de apertura de dichos interruptores mediante detectores de impulsos de corriente.
Se intercala en la trayectoria de las señales de disparo de los interruptores.
CARACTERISTICAS PRINCIPALES
-
Cuenta con 4 elementos de supervisión.
-
Señaliza y memoriza el elemento actuado mediante led con enclavamiento.
-
Reposicion manual de los leds.
-
No interfiere sobre el bus de disparo.
-
Detección mediante acoplamiento óptico.
-
Proporciona 2 juegos contactos secos para alarmas.
-
Para montaje en Riel Din.
-
Compacto
